
自定中心振動篩用于礦石和煤等物料的粗、中細、極細各級篩分,也可用于對物料作脫水泥、脫介質等處理。自定中心振動篩結構主要由篩箱、激振器、懸掛(或支承)裝置及電動機等組成。自定中心振動篩的適用范圍十分廣泛,主要用于礦山、煤炭、冶煉、建材、耐火材料、輕工、化工、醫藥、食品等行業的產品分級,是破碎篩分機組上的理想設備。自定中心振動篩是圓運動軌跡,結構簡單、堅固耐用、性能可靠、維修方便、生產效率高,因此被廣泛應用。本系列振動篩分為吊式、座式,對小規格篩機配有移動式座架,篩機分為單層與雙層篩網,傳動形式分為左、右裝,篩網有編織網和沖孔篩板。
自定中心振動篩又名吊篩。它是由帶有偏心性質的振動器使篩子產生振動的。它的特點如下:1)篩上物料在振動作用下能達到很好的松散和分層;2)該振動篩的配重質量大小可以調節,可根據生產要求調節篩子振幅大小;3)當給礦量發生變化時,振幅也變化。給礦量少時振幅加大振動加劇;給礦量多時振幅變小。給礦量的變化將影響“動力平衡”,從而使皮帶輪中心產生一些振動;4)適用于中、細粒篩分而不適應粗物料篩分。
SZZ型自定中心振動篩的型號命名規則為:首位字母S表示振動篩,第二位Z代表中心,第三位Z代表自定,第四位數字2表示雙層結構(若為單層則不標注),其后兩位數字分別代表篩面寬度和長度,單位為毫米。例如,SZZ2 15 30即表示篩面寬1500毫米、長3000毫米的雙層自定中心振動篩。

| 型號 | 篩網 | 給料粒度(mm) | 生產能力(t/h) | 振動頻率(1/min) | 雙振幅(mm) | 電機 | 外形尺寸(長×寬×高) | 安裝形式 | 總重(kg) | ||
| 面積(m²) | 篩空尺寸 | 型號 | 功率(kw) | ||||||||
| SZZ400×800 | 0.29 | 1~25 | ≤50 | 12 | 1500 | 6 | Y90S-4 | 1.1 | 1363×797×1250 | 吊 | 120 |
| SZZ2400×800 | 0.29 | 1~16 | ≤50 | 12 | 1500 | 6 | Y90S-4 | 1.1 | 1363×797×1250 | 吊 | 149 |
| SZZ800×1600 | 1.3 | 3~40 | ≤100 | 20~25 | 1430 | 6 | Y100L1-4 | 2.2 | 2167×1653×1110 | 吊 | 498 |
| SZZ2800×1600 | 1.3 | 3~40 | ≤100 | 20~25 | 1430 | 6 | Y100L2-4 | 3 | 1935×1678×1345 | 吊 | 822 |
| SZZ1250×2500 | 3.1 | 6~40 | ≤100 | 150 | 850 | 2~7 | Y132S-4 | 5.5 | 2569×3110×1006 | 吊 | 1021 |
| SZZ21250×2500 | 3.1 | 3~50 | ≤150 | 100 | 1200 | 2~6 | Y132M2-6 | 5.5 | 2635×2376×1873 | 吊 | 1260 |
| SZZ21250×4000 | 5 | 3~60 | ≤150 | 120 | 900 | 2~6 | Y132M-4 | 7.5 | 4184×2468×3146 | 吊 | 2500 |
| SZZ1500×3000 | 4.5 | 6~16 | ≤100 | 245 | 800 | 8 | Y132M-4 | 7.5 | 2866×2342×1650 | 吊 | 2234 |
| SZZ1500×4000 | 6 | 1~13 | ≤75 | 250 | 810 | 8 | Y132M-4 | 7.5 | 3951×2386×2179 | 吊 | 2582 |
| SZZ21500×3000 | 4.5 | 6~40 | ≤100 | 245 | 840 | 5~10 | Y132M-4 | 7.5 | 3050×2524×1855 | 吊 | 2511 |
| SZZ21500×4000 | 6 | 6~50 | ≤100 | 250 | 800 | 7 | Y132M-4 | 7.5 | 4155×2754×2656 | 座 | 4022 |
| SZZ1800×3600 | 6.48 | 6~50 | ≤150 | 300 | 750 | 8 | Y180M-4 | 18.5 | 3750×3060×2541 | 座 | 4626 |
本系列自定中心振動篩產品主要用于煤炭、冶金、建材、化工等工業部門對中小粒度物料分級之用。自定中心振動篩是圓運動軌跡,結構簡單、堅固耐用、性能可靠、維修方便、生產效率高,因此被廣泛應用。

|
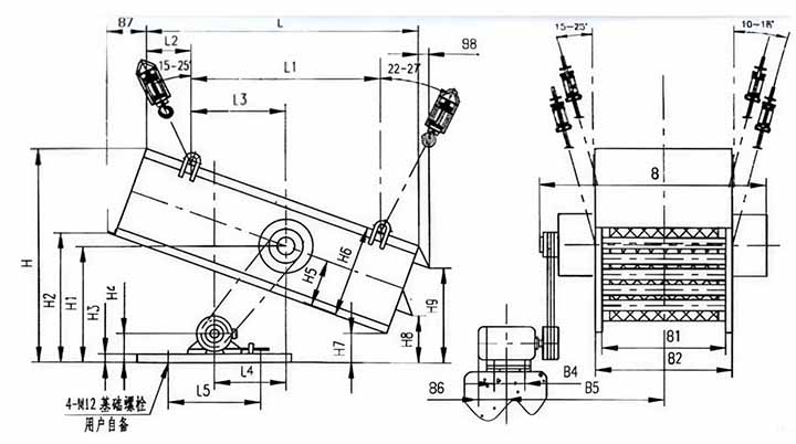
代號 型號 |
L | L1 | L2 | L3 | L4 | L5 | H | H1 | H2 | H3 | H4 | H5 | H6 | H7 | H8 | H9 | B | B1 | B2 | B3 | B4 | B5 | B6 | B7 | B8 |
| SZZ800×1600 | 1990 | 1352 | 616 | 676 | 620 | 454 | 1110 | 620 | 700 | 25 | 145 | 160 | 425 | 280 | 483 | 1328 | 800 | 868 | 1042 | 140 | 801.5 | 187 | 110 | 67 | |
| SZZ2800×1600 | 1743 | 1217 | 284 | 608 | 460 | 454 | 1345 | 830 | 765 | 25 | 145 | 300 | 600 | 320 | 433 | 740 | 1328 | 800 | 888 | 1042 | 140 | 826.5 | 187 | 155 | 67 |
注:表中的生產能力是依據松散密度0.9t/m3的煤按上層篩面較大和較小篩空進行干式分級給定的,物料中小于篩空尺寸之半的顆粒含量40%,大于篩空尺寸的顆粒含量占25%,篩分效率為90%。
本系列自定中心振動篩分為吊式、座式 兩種規格,對小規格篩機配有移動式座架,篩機分為單層與雙層篩網,傳動形式分為左、右裝,篩網有編織網和沖孔篩板,用戶在訂貨前請說明。

日常維護:
1、應每天檢查電機軸承溫度是否超溫;2、檢查篩網、壓板、篩篦磨損情況;3、檢查吊桿、彈簧受力狀況是否均勻。
定期檢查:
1、定期檢查軸承潤滑情況;2、定期檢查彈簧吊桿、磨損情況;3、檢查篩網磨損狀況;4、檢查各螺栓聯結處是否松動;5、檢查振幅、篩分率是否符合要求;6、檢查振動噪音、篩面傾角是否有變化。